یکی از پرسش های کاربران در این روزها و البته از گذشته تا به حال،و همچنین برخی سوالات عزیزان در پایان اخبار “حافظه های رم” در زمینه فرکانس و زمان تاخیر موسوم به CL است.سوال اصلی اینجاست؛فرکانس مهم تر است یا زمان تاخیر؟برای خرید و انتخاب یک رم (RAM) مناسب کدام گزینه را باید مد نظر قرار داد؟برای پاسخ به این پرسش ها با ما همراه باشید.
برای درک و آگاهی بهتر از از یک استاندارد،ابتدا باید آن را بشناسیم.در نتیجه بهتر است سری به زمان تاخیر (CL) و فرکانس زده و آنها را صورت ساده برای شما عزیزان توضیح دهیم.
زمان تاخیر
در هنگام مطالعه و ارائه مشخصات یک حافظه رم،دو مشخصه بسیار مهم شامل فرکانس و زمان تاخیر مورد توجه قرار می گیرد.واژه CL که در تمامی مشخصات دیده می شود مخفف شده Column Address Strobe Latency است که گاها با نام CAS Latency نیز شناخته می شود،یکی از مهمترین پارامترهایی است که سرعت پاسخ به دستورات و ارائه آنها را از سوی RAM را نشان می دهد.علاوه بر آن دستورات دیگری نیز در پشت پرده این زمینه قرار دارند که به مهمترین آنها خواهیم پرداخت.
CAS Latency یا CL: CL واحد و نشان دهنده زمان تاخیر از زمان دریافت درخواست داده از طرف چیپست و یا پردازنده تا زمان ارائه آن به خروجی RAM است.این زمان بر اساس کلاک اندازه گیری می گردد.در یک مثال ساده تر،زمان تاخیر CL 12 به معنی مدت زمان 12 کلاک از زمان ارائه درخواست تا زمان در دسترس قرار دادن آنها است.شایان ذکر است که این زمان به الگوریتم های درخواست،نوع فایل از نظر پسوند،شباهت درخواست و نوع داده و…مواردی از این دست نیز وابسته است. CAS Latencyمهمترین فاکتور در بین زمان های تاخیر و درخواست است که به طور عمده توسط تمامی کمپانی های تولید کننده درج می گردد.

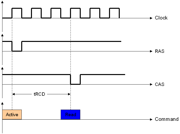
TRCD: این زمان که RAS to CAS نیز خوانده می شود،مدت زمان فعال سازی سطوح RAS تا ستون ذخیره ماتریس ها موسوم به CAS را نشان می هد.

TRP: این فاکتور زمانی نیز از اهمیت ویژه ای برخوردار است. RAS Prechargeنشان دهنده مدت زمان صرف شده به منظور قطع دسترسی به سطر در حال کار و دسترسی به سطر دیگر داده ها است.سطر بندی داده گاها توسط سیستم عامل در حافظه رم ایجاد شده و مدیریت آن در اختیار OS است.اما سرعت دسترسی به آنها رابطه مستقیم با حافظه و نوع آن دارد.

TRAS: این واحد که مخفف Active To Prechare Delay است،زمان وقفه بین دستوراتی است که در دسترسی به رم ارسال می شود.به زبان ساده تر می توان اینگونه توضیح داد که پس از ارسال یک دستور فعال سازی، دستور Precharge محدود به پایان TRAS می شود.
این موارد مهمترین پارامترهای زمان پاسخ و دستورات در حافظه رم است که باز هم تاکید می کنیم که دستور CL یا همان CAS Latency مهمترین فاکتور در بین این پارامتر و دستورات است.
فرکانس
تقریبا می توان گفت که تمامی سخت افزارهای موجود در یک کامپیوتر،از مقادیر فرکانس برخوردار هستند که این فرکانس از نوع دیجیتال است.شیوه انتقال و ارسال اطلاعات در آنها متفاوت است اما مفهوم همگی یکسان است.فرکانس یا کلاک،بیشتر به شیوه پالس در ضریب زمان توان خود را نشان می دهند.
نکته:در هنگام خرید یک کیت و یا ماژول رم،به تطبیق فرکانس آن با فرکانس قابل پشتیبانی توسط مادربرد توجه نمایید.در صورتی که فرکانس حافظه خریداری شده پایین از میزان تعریف شده در پشتیبانی مادربرد باشد،حافظه رم (با هر سرعتی که تولید شده است) در حداکثر سرعت تعریف شده برای مادربرد فعالیت خواهد کرد.
فرکانس بالاتر به معنی “کلاک پالس” های بیشتر است.در هر پالس یک یا بخشی از یک دستور کامل قرار دارد.بالا بودن میزان فرکانس،به معنی پالس های بیشتر در واحد زمان و در نتیجه افزایش بهره وری پردازشی است.دستورات درخواستی از پردازنده و یا تراشه ها،از این کلاک ها طبقه بندی می شود.افزایش پهنای باند به منظور نقل و انتقال این دستورات،به منزله افزایش سرعت در حرکت رفت/برگشت است.پهنای باند نیز همان فرکانس حافظه رم است که موضوع این قسمت از مطلب ما است.فرکانس رم های امروزی با واحد مگاهرتز خوانده می شوند.در صورتی که از دو ماژول با سرعت های متفاوت در مادربرد استفاده کنید،سیستم به صورت خودکار خود را با حافظه رمی که از سرعت پایین تری بهره می برد ست می کند.به عنوان مثال در هنگام نصب دو ماژول در سرعت های 1600 و 1866 مگاهرتز،حافظه رمی که از سرعت بالاتر برخوردار است،به ناچار به سرعت 1600 مگاهرتز تقلیل پیدا می کند.استفاده از رم هایی با فرکانس و زمان تاخیر نزدیک به هم،همواره جزو توصیه متخصصان سخت افزار بوده است.
فرکانس یا زمان تاخیر؟
همانطور که به مطالعه این قسمت پرداختید،به طور حتم متوجه شده اید که هر دو پارامتر به اندازه کافی مهم و قابل استناد بوده و باید در زمان خرید مد نظر قرار گیرد.هم زمان تاخیر که مهمترین آنها CL است و هم فرکانس که تعداد سیکل های آن به رفت و برگشت دستورات می پردازد.باید بگوییم که هر دو پارامتر بسیار مهم و حیاتی هستند و رعایت یک بالانس در بین آنها حائز اهمیت است.اما نباید گول هیچ کدام را بخورید.برای به دست آوردن زمان پاسخ دهی حافظه های رم فرمول پیچیده لازم است که ما تصمیم به کوتاه کردن آن گرفته ایم.به طور خیلی شفاف و ساده،به منظور دریافت این عدد که بر اساس نانوثانیه در نظر گرفته می شود،این فرمول را دنبال کنید:
از آنجایی فرکانس اصلی به عدد 2 ضرب می شود،عدد 2000 را در زمان CAS ضرب کرده و سپس بر فرکانس (سرعت رم) تقسیم نماید.
به عنوان مثال یک ماژول رم را با فرکانس 2133 مگاهرتز در نظر بگیرید.زمان تاخیر آن نیز CAS 9 ذکر شده است.زمان پاسخ دهی این ماژول 8.4 نانو ثانیه است.حال دو ماژول رم را در نظر بگیرید.ماژول اول از فرکانس 1866 مگاهرتز و زمان تاخیر CAS 11 بهره می برد و این در حالی است که ماژول دوم در فرکانس موثر 1600 مگاهرتز فعالیت کرده و زمان تاخیر آن نیز CAS 6 است.با توجه به فرمول ذکر شده،ماژولی که از فرکانس 1866 مگاهرتز برخوردار است دارای زمان پاسخ دهی 11.7 نانو ثانیه است و ماژول دوم نیز زمان پاسخ 7.5 نانو ثانیه را ارائه می دهد.
منظور از ارائه این فرمول و محاسبه،سرعت و توانایی پایین ماژول 1866 مگاهرتزی نیست؛عزیزان توجه داشته باشید که بسته به نوع Data و درخواست های پردازنده (CPU) از رم،هر ماژول توانایی خود را دارد.به عنوان مثال در هنگام کار با Data هایی که شکل یکسان در آنها وجود دارد (مانند نقل و انتقال یک فایل ویدئویی ساده) به طبع پهنای باند یا همان فرکانس حرف اول را می زند.اما در هنگامی که سیستم مشغول پردازش های ناهمگون مانند برخی از موتورهای بازی است،طبیعی است که زمان تاخیر از اهمیت بالاتری برخوردار است.برخی از مجموعه های فعال در زمینه بازی و نرم افزارهای تخصصی،به مقایسه ماژول های مختلف پرداخته و نتایج آنها را منتشر کرده اند.جالب است بدانید که در برخی از پردازش ها،پرفورمنس رم های میانی تفاوت چندانی با مدل های بالاتر از خود ندارد.این جداول بر اساس تقسیم فرکانس رم بر تایمینگ بدست می آیند.در نهایت باید به ایجاد توازن بر اساس نیازهای کاربری و نرم افزاری بسنده کرد.یادتان باشد که رعایت یک بالانس کلی در این زمینه بسیار مهم است.









سلام ممنون عالی بود
عالییییییییییییییییییییییییییییییییییییییییییییییییییی
من خیلی دنبال مقاله ای در مورد فرکانس میگشتم
ممنون اقای اریایی
ممنون از مقاله بسیار عالی :-bd:-bd:-bd:x خودم به شخصه سعی مبکنم رمی انتخاب کنم که زمان تاخیرش بهترین باشه و فرکانسش هم در اولویت دوم قرار میدم البته فرکانس هم نباید بیش از حد فدای زمان تاخیر بشه مثلا فرکانسش خیلی پایین باشه ولی زمان تاخیرش عالی باشه اون هم نمیتونه خیلی جواب گو باشه باید یه جورایی هر دو رو با هم داشته باشه فقط زمان تاخیر بیشتر بهش توجه بشه :-bd
درود بر شما،
دوست عزیز در وحله اول باید گفت که چنین سیستمی از پایه اشتباهه.یعنی شما مادربردتون یه فرکانس پشتیبانی می کنه،پردازنده یک فرکانس و در نهایت شما رمی خریداری می کنید که با هیچ کدوم از فرکانس های موجود هماهنگ نیست.این یک انتخاب از پایه اشتباه است.اما در نهایت برای پاسخ به پرسش شما باید عرض شود که اینتل یک فناوری دارد به اسم Extreme Memory Profile که توانایی افزایش فرکانس رم رو می دهد.در نتیجه پردازنده هم می تواند با فرکانس بالا تر فعال شود.به طور کلی می توان گفت که بسیاری از رم های بازار اورکلاک شده اند.
با سلام، در رابطه با اين موضوع سوالي براي من مطرح هست كه دوست دارم جوابش رو حتما بدونم ! اينكه توي متن هم اشاره شد كه اگر فركانس مشخص شده براي رم در مادر برد كمتر از فركانس رم باشه رم با بيشترين مقدار فركانس ممكن مادربرد كار مي كنه ! حالا سوال اينجاست كه فركانس مشخص شده براي CPU چطوري عمل مي كنه ؟ يعني حتي با وجود اين كه مادربرد با حداكثر فركانس ٣١٠٠ باشه و ما از يك رم با فركانس ٢١٠٠ براي مثال استفاده كنيم در حالي كه سي پي يومون ٤٤٦٠ باشه كه فركانس رم مسخص شدس ١٦٠٠ هستش ما چه پرفرمنسي رو داريم ؟ دوستان خيلي ممنون ميشم كنك بكنيد
خیلی عالی و کامل :-bd استفاده کردیم ممنون
عالی :-bd
از اونجایی که دیگه دایرکس 12 و ولکان داره میاد و تو متن هم ذکر کردید که زمان cl کمتر بدرد پردازش های ناهمگن میخوره پس در نتیجه برای بازی بهتره که مثلا یه رم ddr3 باس 1600 بگیرید با cl 7 که از 1866 با cl 9 خیلی بهتره
با تشکر